DOUT
Rugged open collector outputs.
Features
| Number of channels ZSOM-Control | 6 channels |
| Number of channels ZSOM-Mini | 4 channels |
| Resolution | 1 bit |
| Range | 0-28V 0-150mA |
| speed | 1MHz 1) |
Using the IOs
In order to activate the terminal as output, the drivers on the NI sbRIO9651 have to be set accordingly.
The driver can be set in the FPGA code by setting the enable signal (true = output) with an FPGA I/O Node.
Use the vis in the getting started example to initialize all in one go:
Connecting
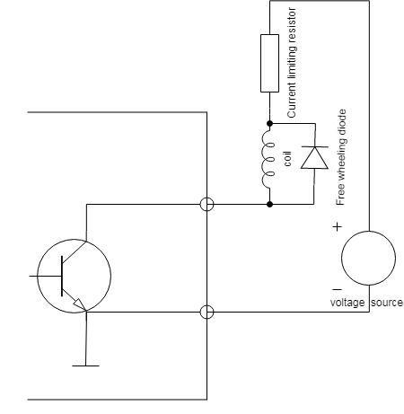
Connect a pull up resistor from the terminal to any voltage (that does not exceed 28V). The minimum value of the resistor can be calculated by (Voltage / Maximun current). For example when using 28V the minimum value of the pull up resistor is (28V / 150mA = 112Ohm). Higher Resistors lead to less power dissipation and slower speed.
The graph below shows the response time (ca 130ns) of the output when using 28V and 160Ohm:
If connecting an inductive load such as a relay or a solenoid, implement a free wheeling diode across the coil:

